2021年6月1日,新版《鋼鐵行業產能置換實施辦法》(簡稱《辦法》)正式施行。據《中國冶金報》、中國鋼鐵新聞網小編不完全統計,截至6月30日,共有11個鋼鐵產能置換項目公示發布(詳情請見:近期11個鋼鐵產能置換項目公示發布!)。
7月份以來,據不完全統計,又有6家鋼鐵企業先后公布了產能置換方案。具體情況匯總如下:
寶鋼湛江鋼鐵
寶鋼湛江鋼鐵有限公司氫基豎爐系統項目(一步)產能置換方案如下:

寶鋼湛江鋼鐵有限公司三高爐系統項目產能置換調整方案如下:

洛鋼集團
洛陽洛鋼集團鋼鐵有限公司產能出讓公告如下:

榮信鋼鐵
河北榮信鋼鐵有限公司建設項目產能置換方案于2018年12月3日在河北省工業和信息化廳網站進行了公示,因公示期間出現異議,該企業的產能置換方案至今未予公告。目前,異議已全部處理完畢,現對河北榮信鋼鐵有限公司建設項目產能置換方案繼續進行公示,內容如下:

新天鋼
天津市新天鋼鋼鐵集團有限公司建設項目產能置換方案如下:

馬鞍山鋼鐵
馬鋼股份公司煉鐵總廠A高爐大修項目產能置換方案如下:

馬鋼股份公司煉鐵總廠B高爐大修項目產能置換方案如下:

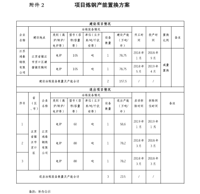
鴻泰鋼鐵
8月13日,江蘇省工業和信息化廳發布了《關于江蘇鴻泰鋼鐵有限公司煉鋼系統升級改造項目產能置換方案的公示》。
江蘇鴻泰鋼鐵有限公司煉鋼系統升級項目產能置換方案如下:






























